|
Lithium Iron Phosphate (LiFePO4) Batteries
|
|
12-18-2014, 12:59
(This post was last modified: 12-18-2014 21:18 by travelite.)
Post: #1
|
|||
|
|||
|
Lithium Iron Phosphate (LiFePO4) Batteries
I've long stayed away from Li+ batteries because of the cell balancing issues, the cost, and the risk of thermal runaway and fire. I'm now revisiting the idea and I see that a technology that's been out for a handful of years has incrementally improved Li+ battery performance. Lithium Iron Phospate, LiFePO4, batteries are thermally stable, they don't seem to require complex and dangerous balancing circuitry; however, in lieu of balance circuitry programmable smart chargers may be required. LiFePO4 batteries can safely and reliably handle 5C of current delivery or charge, they don't require charge voltage temperature correction, power densities are around 2X's an AGM, they offer 80% DOD versus AGM's 50%, virtually no Puekert loss (virtually no voltage sag at discharge), and they can be cycled multiple thousand times offering a longer effective lifetime. The list goes on. There's no question that Li+ is an improvement over lead acid.
The problem I have is... They still suck! For instance, the Li+ specific energy measured in Mega Joules per Kilogram of battery weight is in the 0.30 to 0.80 MJ/kg range. The specific energy of a log of firewood is 16 MJ/kg! Yikes! The energy density, measure in MJ/liter, is around 1 to 2.5. The energy density of diesel fuel is 36 MJ/L! It takes 36 times the volume to deliver the same energy! Double Yikes! We can applaud Tesla for making huge but incremental (if that makes sense) strides in battery technology, but their latest battery innovations in the Tesla S improved battery specific energy from 0.436 to 0.475 MJ/kg over that in the Tesla Roadster! And, they're making headlines over this improvement. Still a factor of 33 less than a log of wood! I know they make it work in the cars and they are fabulous, but this slow pace of battery development isn't anything to hoot and holler about, and taking the risk and expense of going from bad (AGM's) to slightly better than bad (LiFePO4) just isn't worth it for me. We need a quantum jump in battery technological development, not incremental evolutionary steps with pain at every junction. david brady, '02 Wanderlodge LXi 'Smokey' (Sold), '04 Prevost H3 Vantare 'SpongeBob' "I don't like being wrong, but I really hate being right" |
|||
|
12-18-2014, 16:07
Post: #2
|
|||
|
|||
|
RE: Lithium Iron Phosphate (LiFePO4) Batteries
I was surprised that there was only one Lithium vendor at last months Pomona California RV show. More surprised that there were three vendors selling auto watering systems for conventional batteries. One side to the introduction of the lithium class to the solar and rv industry is the AGM may come down in price. . I contributed some to the R&D funds when I leased a $36,000 Fiat 500. the basic Fiat 500 is $13,000. The tax incentives and even a check from the local electric company made the lease painless and the fact that I walk away from what will hopefully be old technology in three years. With the motor home you cant walk away without a limp until the numbers get close to AGM 's ROI. AGM prices may level out as the cutting edge technology factor moves to the Lithium class. (I got an AT when Intel came out with the XT)
I am deep into working the numbers on a new energy system for my vintage GMC project and am looking at the hybrid inverter-chargers. Typical to most fiberglass rv's weight is a factor of major consideration. Reading your post, I will look into the ability of the new inverter I chose to charge Lithium class batteries. Lithium batteries in the little GMC are still in consideration ;one factor is the battery bank size wont need to be all that big and weight savings affords more investment on the cost end. Gregory O'Connor 2001 LXi43ss Romoland California 92585 951-830-5997 Rainbowrv.com |
|||
|
12-19-2014, 13:28
(This post was last modified: 12-19-2014 13:43 by travelite.)
Post: #3
|
|||
|
|||
|
RE: Lithium Iron Phosphate (LiFePO4) Batteries
Astute observation Greg, demand for AGM's tapering off and prices dropping could be the best outcome of incrementally better battery technology.
My Trace SW4024's can be programmed with new setpoints to charge LFP's (LiFePO4's). The problem is balancing the cells to make sure each cell in a string is at a voltage level within a few 100ths of the others in the string. This helps to be certain that no single cell is discharged below the low cut off voltage threshold where destruction of the cell takes place via cell voltage reversal. LFP cells are very sensitive to failure if over discharged; do it once and the cell is gone. This requires a very good battery "Fuel Gauge" to determine the remaining SOC. My Trace inverters use a simple voltage reading along with a time duration at that voltage to determine DOD. This doesn't work very well for LFP's because their voltage slope is very slight on discharge, also cell voltages are dependent upon discharge rate, temperature, and internal resistance. A better approach is to monitor the actual charge and discharge current into and out of the battery, but again with variable battery loading this becomes difficult to do. The best we're likely to end up with (unless we invest in specialized LFP chargers and battery management devices) is a charge cutoff voltage well below optimal and a discharge cutoff voltage well above optimal. In the real world this means well less than 80% DOD capacity and probably closer to AGM's 50%, so reducing your battery banks AH rating from AGM's 1000 to LFP's 625 and saving weight and dollars probably won't happen with current motorhome chargers and inverters. david brady, '02 Wanderlodge LXi 'Smokey' (Sold), '04 Prevost H3 Vantare 'SpongeBob' "I don't like being wrong, but I really hate being right" |
|||
|
12-19-2014, 14:28
Post: #4
|
|||
|
|||
|
RE: Lithium Iron Phosphate (LiFePO4) Batteries
The discharge limit. Is that set by prompting an auto start of the genset or a shutdown of the inveter? My interest in lithium and the hybrid inverters is strictly a weight factor unique to the gmc class of rigs. I didn't do the math in my wonderlodge 8 years ago when I invested 4 grand in lead acid L16s which took 24 hours to recharge when drawn down. In that instance i needed more charge amps but the top end float was still 3 hours. Since my lodge has a big lp tank designed for a intended primus and the factory decided to install a wabasto. I mounted a dock for a pull start yamaha 2400 inverter charger with a lp kit that recovered the batteries in 5 hours more complete then the 15k power tech unit did in 2 hours. The new hybrid inverters help with allowing for a smaller genset to start ac units
On a side note while looking for a genset for my gmc motorhome I found dealers bound by the yamaha price structure posting used prices for new sets by calling the unit used. My fear is trusting a dealer who circumvent their vendor agreement may be doing the same to a customer if a after purchase issue arrises. Gregory O'Connor 2001 LXi43ss Romoland California 92585 951-830-5997 Rainbowrv.com |
|||
|
12-19-2014, 20:46
(This post was last modified: 12-19-2014 21:39 by travelite.)
Post: #5
|
|||
|
|||
|
RE: Lithium Iron Phosphate (LiFePO4) Batteries
Hi Greg,
Either one. I can have the generator start as a function of battery voltage along with the time held at that voltage, the same with cutting the inverters off from the batteries. The Trace SW4024 inverters are "hybrid" and have been long before "hybrid" became the new marketing term. The SW series supports grid tie-in and supplementing grid voltage with inverter power drawn from the batteries; i.e., wave form synchronized. Here's the control for the SW4024 low battery cutoff, charging, and auto generator start: FEATURE: PROGRAMMABLE RANGE Low Battery: Low Battery cut out VDC: 16.0 - 35.5 Low Battery delay (minutes): 0 - 255 Battery Charging: Bulk Volts: 20 - 32 Absorption time, hour, minutes: 00:00 - 23:50 Float Volts: 20 - 32 Max Charge Amps (AC): 1 - 35 Gen Auto Start: Load Start amps (AC): 0 - 63 Load Start delay min: 0 - 25.5 24 hr Start Volts (DC): 10 - 35.5 2 hr Start Volts (DC): 10 - 35.5 15 min Start Volts (DC): 10 - 35.5 The idea with the Gen Auto Start is to handle the voltage sag under high loads so as to not start the generator needlessly. For instance, I may want to tolerate a short-term high load voltage drop to start a motor. Float voltage on a 24V system is 26.8, so I'll set: "15 min start volts" to 22.6. This will accommodate the voltage sag on high current draw. This sag is related to concentration gradients and diffusion rates of battery charge carriers and inflicts all battery technologies; systems built around LFPs should also allow a degree of voltage sag before declaring an energy depletion condition. This is why its better to gauge DOD by adding up charge and discharge current rather than looking solely at voltage level. Simply cutting off the batteries at the first site of 2.8V per cell via a contactor will almost certainly leave usable energy still in the cell because low voltage cutoff is dependent upon discharge rate. 2.8V might be the spec at 1C, but if we draw 2C we're going to dip below 2.8V and cutoff the batteries needlessly. I still think the trick to getting lifetime out of LFP's in a motorhome, with existing motorhome technology and abiding by the KISS principle, is to charge them to 90% and discharge them to 40%. This way we're sure not to destroy them thru over voltage or over energy depletion. We still get the benefit of more cylces over AGMs, but we aren't getting all of the energy density advantage, which brings up a good point. I understand in the GMC a few hundred pounds makes a difference, but 500 lbs doesn't make any difference in my 50,000 lb H3. In fact, I'd gladly go for heavier batteries if the cost were halved! For my motorhome, I'd buy the same AH capacity as I have now and I'd treat them like AGMs, 50% DOD. IOWs for the investment involved I'd baby them; my payoff would be over 8000 cycles of use. On the other hand, if I were building a lightweight vehicle I'd scour around for an optimal charging scheme and an optimal Fuel Gauge. My H3 has an additional complication - it's a split 12V/24V system. The battery bank has a center tap for 12V and there's a Vanner Equalizer which draws power from the 24V side and feeds it into the 12V side. At first inspection, I don't see any way that an LFP bank will handle the user induced imbalances caused by this setup. Plus, who knows what the charging characteristics of a Vanner Equalizer are. I think the solution here is to have two separate banks and two separate charging systems, yet another complexity for minimal gain. david brady, '02 Wanderlodge LXi 'Smokey' (Sold), '04 Prevost H3 Vantare 'SpongeBob' "I don't like being wrong, but I really hate being right" |
|||
|
12-19-2014, 23:23
Post: #6
|
|||
|
|||
|
RE: Lithium Iron Phosphate (LiFePO4) Batteries
Terrific discussion.. Sadly, a little knowledge is worse the no knowledge. In the 450 , we also have the Vanner equalizers (two) and the 12/24 split system. Weight on the 450 is the premier issue... but not at the stern. Using Lithium for more reserve amps because of so many drains would be great but perhaps too complicated. Reducing the front weight is critical and a hybrid , smaller KVa genset would be lighter.(when the genset is in the front) Cost and re-fit would make it prohibitive. Changing the 70 pound Group 31 which was mounted behind the headlight to a 5 pound lithium iron was simple.
![]() (12-19-2014 20:46)davidbrady Wrote: Hi Greg, Ross MacKillop Wiarton Ontario 2006 450 Lxi |
|||
1 user Likes dentmac's post |
|
12-21-2014, 00:25
(This post was last modified: 12-21-2014 00:32 by Wanderer.)
Post: #7
|
|||
|
|||
RE: Lithium Iron Phosphate (LiFePO4) Batteries
(12-19-2014 23:23)dentmac Wrote: Terrific discussion.. Sadly, a little knowledge is worse the no knowledge. In the 450 , we also have the Vanner equalizers (two) and the 12/24 split system. Weight on the 450 is the premier issue... but not at the stern. Using Lithium for more reserve amps because of so many drains would be great but perhaps too complicated. Reducing the front weight is critical and a hybrid , smaller KVa genset would be lighter.(when the genset is in the front) Cost and re-fit would make it prohibitive. Changing the 70 pound Group 31 which was mounted behind the headlight to a 5 pound lithium iron was simple. (12-19-2014 23:23)dentmac Wrote: Terrific discussion.. Sadly, a little knowledge is worse the no knowledge. In the 450 , we also have the Vanner equalizers (two) and the 12/24 split system. Weight on the 450 is the premier issue... but not at the stern. Using Lithium for more reserve amps because of so many drains would be great but perhaps too complicated. Reducing the front weight is critical and a hybrid , smaller KVa genset would be lighter.(when the genset is in the front) Cost and re-fit would make it prohibitive. Changing the 70 pound Group 31 which was mounted behind the headlight to a 5 pound lithium iron was simple. The 450 has 3 equalizers. If you look forward of the battery tray there is a third equalizer. It is jammed under the buss bars forward of the batteries. Really hard to find Trying to figure out how to split the system for the Liths and 2 AGMs for starting. quote='dentmac' pid='52655' dateline='1419042190'] Terrific discussion.. Sadly, a little knowledge is worse the no knowledge. In the 450 , we also have the Vanner equalizers (two) and the 12/24 split system. Weight on the 450 is the premier issue... but not at the stern. Using Lithium for more reserve amps because of so many drains would be great but perhaps too complicated. Reducing the front weight is critical and a hybrid , smaller KVa genset would be lighter.(when the genset is in the front) Cost and re-fit would make it prohibitive. Changing the 70 pound Group 31 which was mounted behind the headlight to a 5 pound lithium iron was simple. Dan Sunderland 2005 450LXi San Marcos, CA |
|||
|
12-21-2014, 04:58
Post: #8
|
|||
|
|||
|
RE: Lithium Iron Phosphate (LiFePO4) Batteries
On a split of charging. Would it be feasible to just use a standalone true charge 20 or 40 for the start batteries only. I picked up a true charge 40 to use when the bus is docked. Was thinking that a true charge 20 or a other brand light weight charger-only-automatic-device would be better since start batteries only need to be maintained at voltage since they get full recharge within 30 min of driving and are usually parked full charged and not used until a start is prompted.
Gregory O'Connor 2001 LXi43ss Romoland California 92585 951-830-5997 Rainbowrv.com |
|||
|
12-21-2014, 10:14
Post: #9
|
|||
|
|||
|
RE: Lithium Iron Phosphate (LiFePO4) Batteries
On my Newell which has 2 8D start batteries (12volt system) I installed a Trik-L-Start to keep them charged. It took power from the LiFePO4's. Could you add 1 to each battery in order to keep yours charged?
Forest & Cindy Olivier 1998 Newell 45' double slide 2004 Z71 toad with Rzr 570LE |
|||
|
12-21-2014, 12:20
(This post was last modified: 12-21-2014 12:56 by travelite.)
Post: #10
|
|||
|
|||
RE: Lithium Iron Phosphate (LiFePO4) Batteries
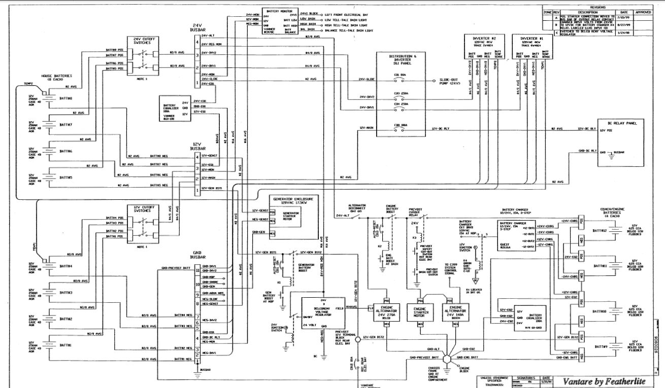
(12-21-2014 00:25)Wanderer Wrote: The 450 has 3 equalizers. If you look forward of the battery tray there is a third equalizer. It is jammed under the buss bars forward of the batteries. Hi Dan, tell us more about your requirements. My H3 is blessed with two Vanner Equalizers. Most Prevost converters are very careful not to intrude or cut into any factory Prevost wiring harnesses; the converter house stands on its own in most cases. The Prevost chassis uses one equalizer to split 12V out of its 24V chassis battery bank. The converter followed suit with the house batteries; i.e., 24V battery bank to supply the inverters and the slide motors and a Vanner Equalizer (center tapped into the house battery bank) to supply the 12VDC loads including the generator start. My focus is on the house; I'd leave the 24V chassis bank and equalizer untouched. Here's a schematic of my house system with split 24/12VDC battery bank and twin SW-4024 inverters: My largest 12V draw is the generator start motor. A simple solution here is to break out this draw with a dedicated 12V start battery for the genny. (Dan, for the M450 as Greg and Forest suggest, dedicating a battery bank and a charger to the C13 start motor may be the solution for that equalizer). That leaves the remaining 12V house loads which include just about everything DC powered in the house: mostly lights, electronics, a handful of motors (shades, sofas, pocket doors, dump valves), Aquahot, Glendinning, tank levels, etc. I'm thinking a good way to handle these loads is with a DC-to-DC converter, 24VDC in and 12VDC out. My 12VDC distribution panel is protected with a 100A circuit breaker so I need a 100A DC to DC converter, 24VDC in 12VDC out. I haven't yet found a high quality off-the-shelf converter with anything close to these specs; if you find something please let me know. I may have to build it. (12-21-2014 10:14)folivier Wrote: On my Newell which has 2 8D start batteries (12volt system) I installed a Trik-L-Start to keep them charged. It took power from the LiFePO4's. Could you add 1 to each battery in order to keep yours charged? Hi Forest, Can you share some pics of your installation? Who's batteries did you go with? What kind of DOD do you impose on them? Are you running a per cell voltage monitor that controls a Low Voltage Cutoff contactor? Have you done any battery cell balancing? Thanks! david brady, '02 Wanderlodge LXi 'Smokey' (Sold), '04 Prevost H3 Vantare 'SpongeBob' "I don't like being wrong, but I really hate being right" |
|||
|
« Next Oldest | Next Newest »
|
User(s) browsing this thread: 2 Guest(s)

Link Directory
Wanderlodge Trader
Document Library
Calendar




![[+]](http://www.wanderlodgegurus.com/images/collapse_collapsed.gif)

Most Prevost converters are very careful not to intrude or cut into any factory Prevost wiring harnesses; the converter house stands on its own in most cases. The Prevost chassis uses one equalizer to split 12V out of its 24V chassis battery bank. The converter followed suit with the house batteries; i.e., 24V battery bank to supply the inverters and the slide motors and a Vanner Equalizer (center tapped into the house battery bank) to supply the 12VDC loads including the generator start. My focus is on the house; I'd leave the 24V chassis bank and equalizer untouched.